-
Jonathas彼らが古い物を取り替えてかなり適している提案したカプラー。価格はであり適度、thhemを受け取るために先に見る。 -
ホセ私が得たDF8Bの予備品は正しいすべてである。調達期間は速く、私に問題がある、ここに常に明るい私を助けることは。私達の未来の協同へのありがとう彼女の多くおよび再度先に見ること。
無料のサンプルとクーポンを私に連絡してください.
WhatsAPPについて:0086 18588475571
ウェチャット: 0086 18588475571
スカイプ: sales10@aixton.com
24時間オンラインでサポートします
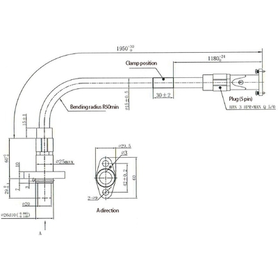
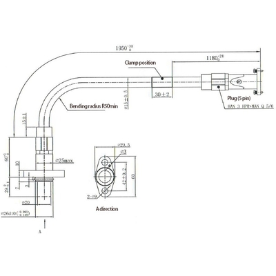
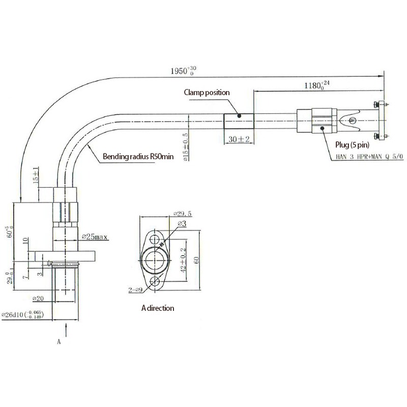
x| 材料 | 金属 | 操作エアギャップ | 1±0.5 mm |
|---|---|---|---|
| 高度 | ≤1500m | 相対湿度 | ≤95%(毎月の平均最低気温25℃) |
| 動作温度 | -40°C から +120°C | 振動とショック | カテゴリ3の車軸マウントアプリケーションについては、IEC 61373:2010に準拠しています |
| 保護評価 | IP68(5 bar、2時間) | 動作電圧 | 8V〜30V DC |
| 定格電圧 | DC 15V | 速度測定範囲 | 0〜20 kHz |
| 出力波形 | 四方波、スルーレート(2mケーブル)≥3.5V/μs | デューティサイクル | (50±10)% |
| ステージシフト | 90°±18° | 高レベルの出力 | ≥UB -2.0V |
| 低レベルの出力 | ≤1.2v | ||
| ハイライト | 自動車用ホール速度センサー,ISO9001認証 車速センサー,カスタマイズ可能なホール効果センサー |
||
ハール型速度センサーは,磁気誘導を用いて接触式で速度を測定する.耐磨性,高度な精度,高度な反干渉性がある.鉄道輸送の厳しい環境に適応し,安全で信頼性の高い操作を確保するために軸やモーターなどの重要な部品に使用されます.
製品の特徴
● 接触のない測定磁場センサーで動作し,長寿のために機械的な磨きを排除します.
■高精度応答重要な制御システムのためのリアルタイム信号出力で,微小な速度変動を検出します.
■強力な環境回復力要求の厳しい鉄道操作条件で極端な温度,振動,湿度に対応します.
■EMC対応の信頼性安定した出力を提供し,優れた電磁気干渉 (EMI) 抵抗性を備えています.
|
製品性能 |
基準値 |
|
高さ |
≤1500m |
|
相対 の 湿度 |
≤95% (月間平均最低温度25°C) |
|
動作温度 |
-40°Cから+120°C |
|
振動とショック |
IEC 61373:2010 に準拠する 3 級軸搭載用 |
|
保護評価 |
IP68 (5バー,2時間) |
|
電源 (Vcc):
|
動作電圧範囲: Us = 8V から 30V DC |
|
定位電圧:DC 15V |
|
|
速度測定範囲 |
0から20kHz |
|
運用空間の隙間 |
1 ± 0.5 mm |
|
出力チャネルの数 |
オーダーメイド |
|
出力波形 |
平方波,スローレート (2mケーブル) ≥3.5V/μs |
|
作業サイクル |
(50 ± 10) % |
|
ステージシフト (チャンネル間) |
90° ± 18° |
|
高レベルの出力 |
≥Ub ∼2.0V |
|
低レベルの出力 |
≤ 1.2 V |
|
負荷なしの電流消費 |
≤ 40 mA |
|
運用空間の隙間 |
1 ± 0.5 mm |
![]()
![]()
![]()

